
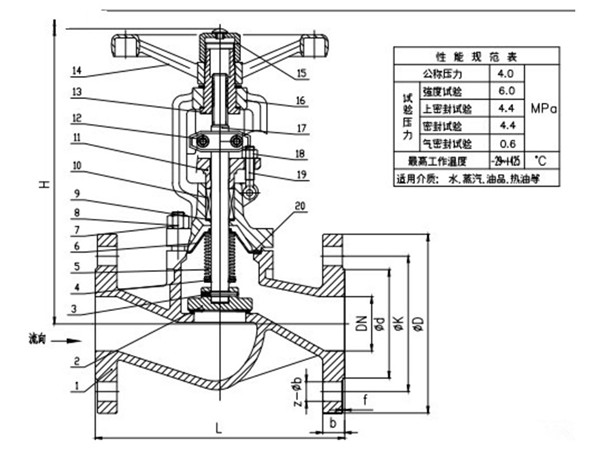
一、技术规范 (德标)
驱动方式:手动/电动/气动
结构形式:BB-BG-0S Y
设计标准:DIN3356-82
结构长度标准:DIN3202-F1
连接法兰标准:DIN2543-2545
对焊连接标准:DIN3239 DINEN12627-4
试验和检验标准:DIN3230-81
二、特点
双层/多层波纹管标准配置
球型锥面阀芯,硬化处理
阀杆螺母带磨擦片
阀杆填料双重密封
双油嘴润滑标准配置
无泄漏损失-节能保卫环境
使用寿命长,无需维护
三,典型应用流体
蒸汽和冷凝水
化学流体
工艺流体
毒性气体
热水和冷水系统
压缩空气和其他空气
热油系统
氨/氯气体
水/乙二醇等工业气体
冷却及冷冻系统
四、产品特点
寿命长
波纹管密封截止阀采用独特的双波纹管密封设计,从而完全消除了阀肝填料密封泄漏的问题,满足最严格的育级要求。
如波纹爸不幸失效,阀杆上填料密封可提供二次密封防止泄漏。
免维修
波纹管密封结的不仅杜绝了泄漏现象,而且无需维护,如更换内部件,方便,简单,快,所有部件达到标准,互换。
加脂注油
在阀帽/阀盖带有加脂注油孔,可对阀奸和螺母轴喜进行润滑,
球型锥面阀芯
波纹管密封截止阀采用独特球型锥面阀芯代替传统的平面阀芯,可手动略进行流水控制,阀芯表面硬化处理,提高了
密封性能。DN150以下并可立式安获,阀芯自行调整。
工程应角
波纹藏节误执法适用于公酶压力:PN1.6-6.4MPa/150L8~800L8,工作温度-29~425 的石油,化工,制药,化肥
电力行业等各种工况的管路上,切断或接通管路介质


